![]() |
13534211958 |
![]() |
郵箱:3328087560@qq.com |
![]() |
3328087560 |
![]() |
深圳龍崗區寶龍街道南約社區寶龍高科大道56號萬達科技園 |
FFC排線規格書如何做?
- 作者: 阿勇
- 來源: 鑫美特FFC排線
- 日期 : 2021-07-13
做出一份讓用戶滿意的ffc排線規格書,分如下幾個步驟:
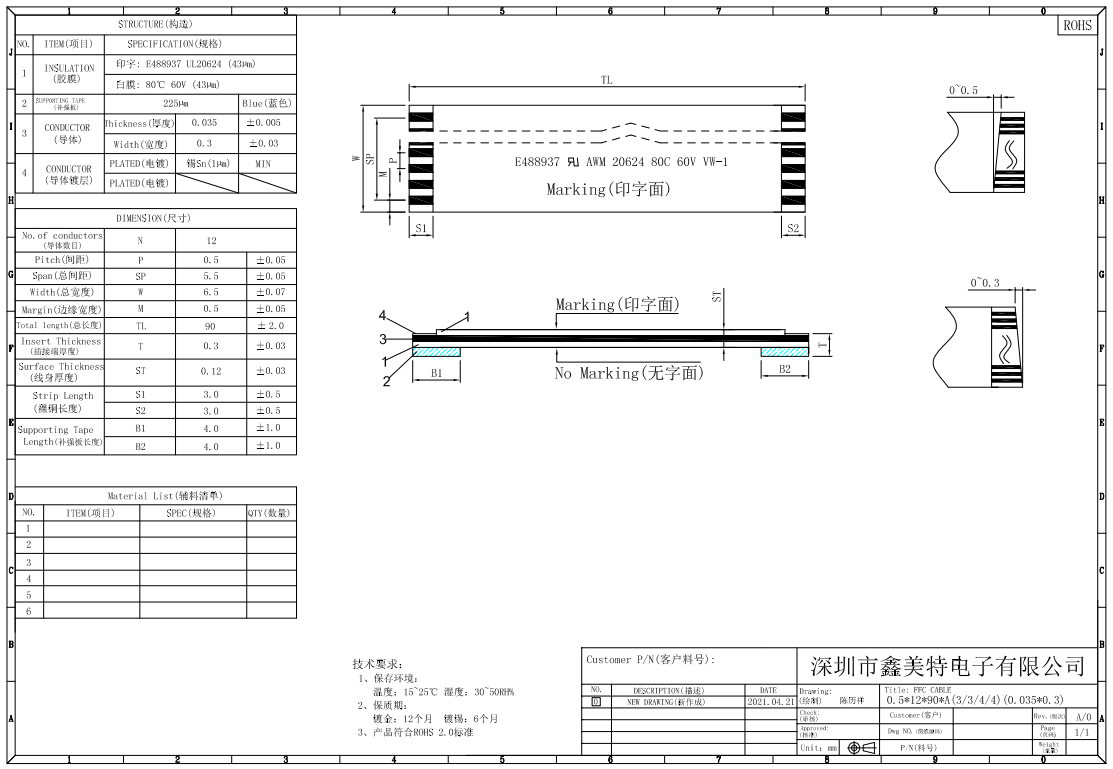
1°正中一般展示的是ffc排線圖面,圖面分主視圖與側視圖,主視圖一般展示ffc排線的正面參數,比如間距、寬度、長度;側視圖一般展示ffc排線線身厚度,插接端厚度、補強板長度,金手指方向。
2°展現ffc排線所用的材料的具體型號、尺寸,公差范圍及數量
3°在正圖的下面一般會標上一些技術要求,如特殊工藝步驟注意事項,產品溫濕度保存條件。
4°在圖面的右下角一般要注明ffc排線的總體描述,作成人,作成時間,圖紙版本號(更改時要變更版本號),圖號(方便后續查閱)。
至此,一個完整的ffc排線規格書步驟全部呈現如下。

只要按照上述步驟做出的ffc排線規格書必然會滿足用戶對ffc排線的參數了解需求。
- FFC排線規格書制作第一步:
- FFC排線規格書制作第二步:
- FFC排線規格書制作第三步:
1°正中一般展示的是ffc排線圖面,圖面分主視圖與側視圖,主視圖一般展示ffc排線的正面參數,比如間距、寬度、長度;側視圖一般展示ffc排線線身厚度,插接端厚度、補強板長度,金手指方向。
2°展現ffc排線所用的材料的具體型號、尺寸,公差范圍及數量
3°在正圖的下面一般會標上一些技術要求,如特殊工藝步驟注意事項,產品溫濕度保存條件。
4°在圖面的右下角一般要注明ffc排線的總體描述,作成人,作成時間,圖紙版本號(更改時要變更版本號),圖號(方便后續查閱)。
- FFC排線規格書制作第四步:
- FFC排線規格書制作第五步:
至此,一個完整的ffc排線規格書步驟全部呈現如下。

只要按照上述步驟做出的ffc排線規格書必然會滿足用戶對ffc排線的參數了解需求。
上一篇:
FFC排線怎么插入fpc連接器?
下一篇:
常規FFC排線價格核算考慮哪些方面?







